剛性防水套管a型與b型有什么區別
信息來源: 時間:2017-10-23 9:07:14 標簽:剛性防水套管
有些客戶在購買剛性防水套管的時候,不清楚a型和b型的區別,這期新躍技術員詳細為您答疑解惑。
剛性防水套管,別稱:鋼套管。一般的水池為了防止水從側壁漏出。剛性防水套管是鋼管外加翼環(鋼板做的環形套在鋼管上),裝于墻內(多為混凝土墻),用于一般管道穿墻,利于墻體的防水。
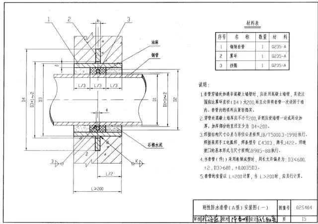
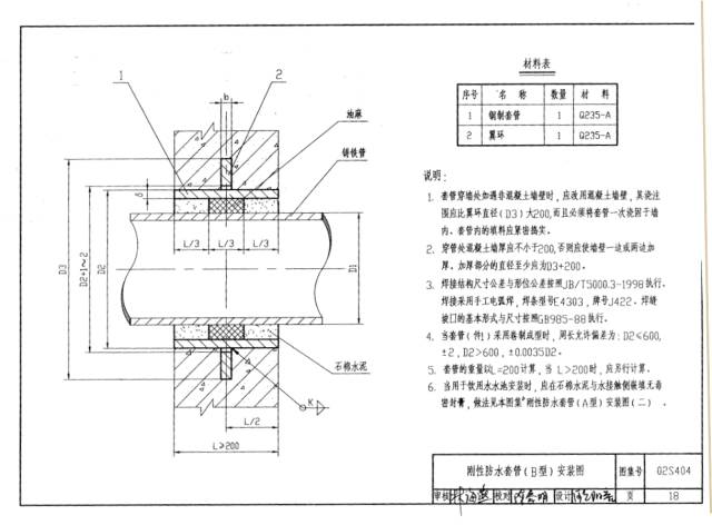
想要分清剛性防水套管a型與b型的區別,可從02S404圖集中對比可得知。
從02S404圖集可得知,a型剛性防水套管和b型剛性防水套管外形數據尺寸完全相同。唯一不同的是穿過防水套管的管道,a型穿過的為鋼管,b型穿過的為鑄鐵管。所以說ab型剛性防水套管在生產過程中沒有區別,可以放心使用。
剛性防水套管安裝 注意事項:
1、檢查所有管件有無裂縫、有無砂眼、管壁是否厚薄均勻。
2、管道在使用前應觀察外觀、灌水和外壁沖水逐根檢查有無裂縫、有無砂眼。
3、檢查所有承插口是否到位、牢固、密實。
4、管道安裝應按施工驗收規范設置支吊架。
5、根據建筑平面圖,結構管面圖以及建筑立面圖,來確定套管的長度。再根據給排水平面圖和大樣圖,并參照標準圖集來制作。
6、在安裝時,套管兩端應用鋼筋三方以上夾緊固定牢固,并不得歪斜。
新躍防水套管廠家,生產各種柔性套管、剛性套管、不銹鋼套管,廠家直銷,質量保障!如有任何疑問,隨時咨詢我們!QQ:2172152931 電話:0371-64032222。

橡膠接頭 撓性橡膠接頭…
橡膠接頭、卡箍橡膠接頭、大翻邊橡膠接頭新躍橡膠接頭廠家,專業生產,量大從優!
不銹鋼雙法蘭限位伸縮…
不銹鋼雙法蘭伸縮接頭是由本體、密封圈、壓蓋、伸縮短管等主要部件組成。在松套伸縮接頭原有性能的基礎上增設限位裝置,在最大伸縮量處用雙螺母鎖定。管道在允許的伸縮量中可以自由伸縮,一旦超…
可曲撓橡膠接頭
可曲撓橡膠接頭簡介可曲撓橡膠接頭又叫做橡膠管軟接頭、柔性橡膠接頭、橡膠軟接頭、橡膠接頭、高壓橡膠接頭、橡膠減震器、補償器等。按連接方式分松套法蘭式、固定法蘭式和螺紋式3種;按結構可分…
人防穿線密閉套管
穿線密閉套管說明:1、當迎水面為腐蝕性介質時,可采用封堵材料將縫隙封堵;2.套管穿墻處如遇非混凝土墻壁時,應局部改用混凝土墻壁,其澆注范圍應比翼環直徑(DS)大200,并且必須將套管一次澆固…